Всего товаров: 0
Сумма: 0 руб.
(495) 797-01-52
(916) 421-73-00(903) 011-07-11
пн.-пт. с 9 до 18 сб. с 10 до 15 вс. выходной
                    	                                                                
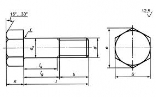
        Болт c шестигранной головкой полная резьба din933 М6*70
 
                                    Технические характеристики
                     
        
             
 Примечание:Применяется в крепежных соединениях в комплекте с гайкой, шайбой, забиваемым анкером и т.п. Используется в строительстве, машиностроении, мебельном производстве.  |